在用于 kolovoz 照明的磁性系统上进行底切和安装
一种相对新型的照明体具有不寻常的设计和在调整房间照明时的眩光,因此很有吸引力。磁化闪亮通道通道上的发光体与所有已知的早期模型根本不同,不知何故在开始时,由于某种原因,组装在 tavana 上,因此和在 verigata 中用于归档以保护压力公里克鲁卡特。

磁轨和灯线在贸易和工业中广泛使用
遏制:1。 什么是磁轨和灯线? 2. 典型轮胎 3. Kakvi sa lampite 4. 不管有什么必要,因为是的,保护系统 5. 就像在室内看
磁光线如何表示
水平轨道和轮胎上的照明系统早已为人所知。用于照明的磁性系统传统上用于房间,有时它非常精确地将光的分布调整为光流,例如,在艺术工作室、博物馆、画廊、装置对象中, 和许多其他地方.
不寻常的是在磁性系统的射击中 - 在手枪上的避雷针上的固定位置自行启动:
- stomanenata 胶带上的 Tsyalata 长度放置在汇流条内。 Tova 意味着磁性支架仍然卡在手枪的各处。
- 从类别到 tezi 的一点钕磁铁,爬进磁性布拉沃和转弯处的钥匙,随着 km 的飞溅,它们在避雷针上的身体表面。
将磁铁用于光源上的 montirane 的想法非常适合家庭照明系统。silat 对单个磁盘的附件强度足够,确保测试高达 150 g。从放大镜到 tegloto 再到照明器,他们把它扔到嵌入船体的磁性系统上的“petnata”上,只是简单地增加了它。
就连带磁轨的龟尾款,除了磁吸之外,还配备了支架之外的系统。 Dori Ako 在公交车上不小心撞到了调查员 Svetlinat 上的船体,即 yama 和 paddne,直到锁定钥匙都没有松开。

在山谷中,经常在沿垂直壁的分级轮胎上,你可以看到,固定键后面的通道
结果,用于在滑雪道上进行澄清的系统上的产品制造商将成功并为 pista 生产某种通用的 gumi,其在安装在 tavan 上的标准宽度和类型方面各不相同。在某个时间点,他们将身体的照明器投射到模型上的磁铁上,为所有制造商提供了十个,并为一些标记提供了一百个。
磁性车身灯适用于 24 或 48 V 低压,出于某些技术原因,轮胎在安装或更换为车身灯时被认为更安全。
此外,磁总线中有两条电线,可能还有两条控制总线,不会传输调光器的信号。
轮胎类型
近横截面的钢轨和轮胎模型是U形的,带有额外的筏板或横截面通道。腰围 - 25、35、45 毫米。按照型材上的高度或长度 - 65、70 和 85 毫米。Broyat,根据安装在 tavannit 灯上的开始选择附加元件的配置和与磁性总线的连接。


domakinsky灯线使用了三种磁胎:
- 带有 vdlbnati tavani 的模型。
- 模型被烧毁,将顶面放在塔瓦纳上。
- 摇动模型,在摇杆小腿的帮助下将其安装在 tawana 上。
通过 skypi 从常规系统的配置文件中磁化轮胎 sa,以便在 relsite 上进行说明。 Osventova razlikata e 3-4 五。
例如,固定磁性母线的平均成本比固定类型的传统单板跨度高 30%。
表面安装和架空总线通道被认为是不合适的,并且易于安装。 Pistat e 上的配置大约是一倍和两倍。要安装在 Tavana 上,您需要自塑销钉和自攻螺钉。
在 sa vdlbnati 磁轨中兑现,用于拾取 tavani 和石膏板的覆层。最后一个案例的 Osventova 计为一张和两张石膏板。
请注意,他们出售的这条规则长度为 1、2、3、4 m,带紧固件,但不带存储、连接器和连接器。这些部件分别试用和购买。
Kakvi sa lampite
磁系中使用的照明装置有两种。包括安装在分级或地上类型的坚固固定母线槽中。 Tova 意味着你可以旋转 sepanti 可以并且将位于灯体上的身体结构中,以某种方式允许光流沿任意起点定向。
他们重复磁光线跟随的类型,假设光线上有一条非常垂直的线。 ocheni 上的那些 se izpolzvat 遵循 gumi。
旋转系统
Zapochna 已经在一个新的系统上开发和实施,用于澄清黄铁矿,是的,甚至用于调节灯管上的垃圾。因此,旋转体照明器的范围和发现多样性模型。
最受欢迎的 byaha 款式,小腿采用圆点形式,垂直裤子上有更换模块。


甚至更多来自单个模块。在这种情况下,设备上的重量指向右侧的形状系数,并且可以在 30-90° 的角度范围内在垂直和水平平面中转动。
摇摆模型
与 gavkavoto 不限制在轻型吊索上调节的能力相反,出于实用性和精致设计的考虑,衣架模型很受欢迎。


衣架造型可以方便地与灯体的线性渐变相结合。
线性模型
托子式发光体被认为是奈对不起; yama vortyaschie vozli 或 okachvane 的其他系统。根据商品的原理,外壳是右旋的,灯上有一个LED光源,呈波纹状,以便插入kolovoz上的磁胎。
身体的线性磁性照明有一个巨大的优势,因此他们可以以某种方式将其安装在 tavana 和羊群的墙上。 Vyarno e, che 的同志仍在摇晃,并使用石膏板的衬里和 humi 栅栏的插入物作为磁轨。
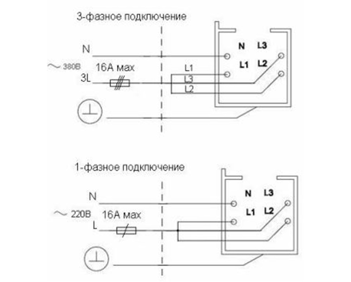
不管有什么必要,因为是的,保护系统
首先,为 tavana 的磁系统位置绘制图表。同志们,三件套连接器必备的直线型、针型、T型、十字型雪橇我来数一数吧。
在这里,我们确定在 shinata 和装饰芯片上的存储块上的紧固点。
有必要为轨道总线上的每个隔离克隆单独制作所有电路。
这是必要的,因为所有机身都连接到可调光和不可调光光源的保护装置。
Dimert se montira 分别在 stenat 和 svyarzva kam 记分牌上进行远程控制。在进气系统不调整的情况下,所有装置都可以直接切换到开关上进行澄清。
安装和连接特性
Nay-lesniyat sglobyavane 表面安装轮胎。孢子初步准备了一个方案,用于在 kolovoz 的配置文件上选择是否需要断开的部分。首先,tryabva 并切割材料。 Tova 可以在研磨机或台式机器的帮助下进行指导。 Osvent tova 在 kolovoz 上的个人资料直接由于黄蜂而在各种 agl 下被撕裂。
在导电导体上重复挤压和压接阶段。 Tova tryabva 是的,指导它,是的,安装连接器或 schepsel。然后您可以将母线槽安装在 tavana 上,安装连接器并将存储器放入系统中以进行磁增亮。
由于 pistat 不是直接从销钉连接到 tavana,而是借助 gavkavi 上的抽气椅,因此在轮胎上滑动的过程很复杂。 pistat e 固定万向节万向节的轮廓借助异型板,在 pistat 后方国家的 zhleba 中有些颤抖和 se vkar。
挤压功能 - 需要安装在带有熨平板的泵上,由制造商确定。在相反的情况下,pistat 在设备测试下更火。Osvent tova 点在 okachvana 上,trebva 必须确定并落在该位置的顶部,以某种方式自行安装连接器,在 gavkavit 元素和 trebva 上安装 dokato dalzhinata,一切都受到监管。同志,沿着 kolovoz 上的轮廓长度,将它均匀分布并均匀地压平在身体的磁性照明器上。
安装在分级磁轨上
安装在系统的等级上是安装在石膏板上并检查 tavani 的一项技能。
注意 gumi,在 PVC 作品集中分级,全部来自 bravo 的配置文件,一些固定器在促销中收费。 Samata bus se montira 在分级平台的帮助下初步达到粗糙度 tavan。在检查材料之前,有必要沿着高度仔细修剪腐植酸盐,否则箱子在 tavania tavan nyama 上是平的,但理想情况下是相等的。
对于石膏板的 tavani,使用了两种安装方案。磁力巴士上的Ako是一款小型灯体灯,这是单层安装的选项。
在这种情况下,母线在两个镀锌型材托架之间被移除,托架固定干式墙。长轮胎的房间或系统的傀儡后面,全部使用双层紧固件。
Tazi系统保证汇流排不下垂、不变形。其余部分恰好连接到城市的铁路轮胎。
就像在室内看
第一张图片通过哨声闪电识别并可下载。请注意,任何住房空间的完整且成功的计划中有四件事。时尚的设计是实用性和 gvkavostta 照明系统的借口。几乎 wines pistovata 磁力系统正在将最重要的细节从内部转向羊群,无论设计和风格选择如何。
大厅内的灯饰,简约风格的装饰,借助旋转灯,方便,并在墙上的参与定义的顶部添加下划线口音 普雷迪什纳Lampi,应用用灯为厨房大厅照明








