LB 40 灯的主要技术特性和连接方案 - 我们如何改变它
荧光线性灯被认为是过时的光源,但与此相反,它们在今天使用得相当广泛。在塔吉文章中,我们为灯泡 LB 40 说话:看一下特性,了解如何使用它以及如何更换它,并用具有灯尺寸的发光二极管更换光源。
遏制:1。 尺寸规格 2. 线路上的方案 3. 当代模拟 4. LED同仁——如何改和电路接法
尺寸规格
首先,让我们看一下LB 40灯的设计,并找出可能性。在结构上,该装置是一个玻璃烧瓶,在其边缘有两个电极,用于用耐火材料(通常是钨)制成的螺旋线焊接在一起,并连接在一起。烧瓶表面涂有粉状磷,烧瓶内充入惰性气体并加入少量牲畜或汞齐并密封。从两极插座 G13 上断开连接设备电极的电缆。

线性荧光灯
每当灯打开时,发光放电就会发射到曲柄中,一些分子是活的并辐射到紫外线光谱中。 Svetlinata 落在磷的顶部,预示着明亮的光辉,但始终在可见光谱中,而 samata se 吸收磷和 lampata 上的玻璃状。根据 Tosi 的说法,设备启动后,光本身是可见的。 LB 40 的标记被破译,不知何故如下:
- L——线性荧光灯;
- B - byala svetlina;
- 40 - 每台设备的功率(以瓦为单位)。
与 tosi source on light 尺寸相关的是:
马基拉内长度,毫米 直径,毫米 底座LB 40120038 或 25.4G13
现在让我们来看看LB 40的主要特点:
特征范围节省电压,V220或127耗电,W40光流,lm2800色温,K3500显色指数(RA或CRI)60-69%资源,s10000 返回 kjm sdzharzhanieto ↑
线路上的方案
所有的荧光灯都通过特殊的控制设备——电磁 (EMPRA) 或电子 (ECG) 连接到电网。在第一种情况下,油门(镇流器)e 的电磁铁控制需要霓虹灯启动器。
电子镇流器是一个独立的设备,不需要任何额外的东西。
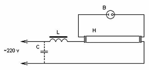
通过 EMPRA 启用
想一个后续的典型方案 打开线性荧光灯 LB 40,设计用于通过电磁镇流器在 220 V 的网络中工作。
对 lampata 的存储进行了跟踪,警告是将 otiva km 螺旋的镇流器放在 lampata 上。通过启动器在螺旋 sa svyarzani 上重复排气。 Dokato 与果冻一起螺旋化,对烧瓶中的气体推进阻力高且不排放。非常紧张,给开胃菜一个开胃菜 - 那个 vednaga 工作,联系我,他们会闭嘴。 Prez 螺旋化土壤和电流,这是肮脏的。
跟踪启动器 ce 沸腾、tock prez 螺旋和螺旋镇流器上的大约 1 秒接触。后者为了反向自感,在阴极顶部形成一个1kV量级的电压脉冲到灯管。 Vznikva 突破了气体和 prez kolbata 土壤和流动电流之间的间隙 - lampata 是 zapalva。
镇流器搞笑切换到限流模式,nivoto支持,需要在LU 40上工作。现在启动器被排除在外,在光源上没有不参与工作的痕迹。 Ako,由于某种原因,灯没有变亮,重复启动器上的过程。
为了镇压整个扼流圈,这个 imago 是电感电阻,在一定程度上增加了组件对电力消耗的反应性,并提高了整个设备的效率。 Tozi 缺失部分通过连接到 verigata 上的补偿电容器顽固地消除,一些电抗元件被涂上。 LB 40 上的 startirane 的 Tozi 方法 se naricha 正在燃烧,ty kato predi 和沉没的光源,不要加热阴极线圈。
重要的!在盆中,电路使用灯和启动器,设计用于 220 V 的工作电压,以及与灯的功率 (40 W) 相对应的功率节流阀。
通过电子镇流器开启
Ako 电子镇流器的一切都清晰明确 - 所有这些都包含在同一个电路中,它们在功率方面有所不同,但电子镇流器的情况略有不同。他们生产从修改到同一设备的多种多样,能够维修各种类型的灯 - 从 1 到 4。
但是 dori 和这里并不是那么明智,tyahnoto 的 tay kato 计划打开 sa 就足够了,vinagi 将直接应用于镇流器上的重量。该计划的 Osventova 论文可在友好的文档中找到。
选择电子设备时唯一要注意的是灯的功率,它们可以用来工作。例如,在拍摄山景时,电子镇流器设计用于 58 W 灯(山景)和 2 x 18 W。
当代模拟
这些线性荧光灯 LB 40 实际上并不生产所有这些灯,但它们生产了很多灯,旨在与它们一起工作。 Ami ako 标准 izgori 糊状物?非常简单 - 只需用现代类似物 LB 36 替换。Tozi 型灯具有相似的特性,但功率从盆地降低到原来的 LB 40 的 4 W。在 lampat 上有很大的作用,所以大胆地把它在。当更换为 Lampata LB 40 和 LB 36 时,lampata 和 samata 链中的任何东西都不会摇晃和变化。把旧的扔掉,放下新的。
今天的LB 36日期也是由本地制造商生产,但您始终可以选择外国公司的产品进行销售。例如欧司朗 L 36W / 640 或飞利浦 TL-D 36W / 33-640。
你好!暗恋国外厂商,他们的色温有些差别,在LB 36下分别是4000K和3500K。但是差别可以忽略不计,肉眼几乎分辨不出色温。
LED同仁——如何改和电路接法
发光二极管灯将获得广泛普及,并必将取代其他类型的灯,包括荧光灯。是否可以在不特别小心的情况下用 LED 代替荧光灯?例如,几乎永远点亮 LB 40 并且仍在许多组织和机构中安装它 - 为什么要购买新的 LED?
的确,没有必要。这种光源也可以与 LED 灯一起使用。 LB 40 上的所有 LED analosi 包。Analosi - 伊玛目预见了尺寸和设计:长度、直径和底座 G13。

关于基础尺寸和类型,台盆 T8 LED 灯类似于 LB 40
原理就是要下功夫,明白了,就是不一样——所有的封装都是LED。所以,我不尝试任何东西,我会在照明器本身的设计上改变它,足够了,我会改变它的疏忽电链,这是顶部的调焦器,标准电路连接到一个线性LED 马克杯 T8 带电压保护 220 V。
重要的!当您购买 T8 LED 插头时,请尝试确保它们配备了驱动器,并且它们的设计和工作电压为 220 V。该型号的电压较低,不能而且应该与这些区别开来,我们需要外部。
带 EMPRA 的灯
最初,带有电子镇流器和灯具单一光源的灯的示意图如下:
根据以下算法,这恰恰是有悖常理的:
- Izvadame 启动器(墨盒中的 ima 底座和 se vkarva)。
- Svarzvame 在 kaso 镇流器上,有些可能是,是的,它们会被错误处理,否则我们是在浪费时间。
- Othapvame 补偿电容。
Kraynata 计划 trebva yes izglezhda 是这样的:
带电子镇流器的灯和两盏灯
最初,带有电子镇流器和两个灯具光源的灯的示意图如下:
所有最新的算法都已准备就绪:
- Predyastiyat Izvadam。
- Svarzvame 在 koso 镇流器上。
- Othapvame 补偿电容器。
- 更改 lampata 链接上的架构,因此在极端估计中我们得到以下内容:
带电子镇流器的避雷针
最初,带有电子镇流器和灯具单一光源的灯的示意图如下:
关闭电子镇流器并根据 tasi 方案(figurata 上的 cherveno 中的 markirana)在其前面系上电线。 Isolarame 其他 dvama 和 gi 让我自由。
Kraynata 计划 trebva yes izglezhda 是这样的:
这对线性荧光灯 LB 40 来说很熟悉。现在我们知道如何做、如何执行以及如何正确地做。 E、如果有必要,我们可以林业更换标准尺寸的LED。












