边境住宅用卤素灯的种类及技术方案
标题: 专业化 
出现时间较早的卤素灯,意在广泛应用于我们胃部的几乎所有部位。它们结构紧凑、经济高效且令人讨厌,可用于房屋、街道的高质量照明、装饰照明和汽车前照灯中的 dory se amirat。什么是卤素灯或卤素灯?它们与传统的浆液烧瓶有何不同?今天我们将对其进行分析,同时我们将教您如何正确使用它。
遏制:1。 行动原则 2. 卤素灯的区别 3. 卤素灯方案 4. 慢启动 5. 卤化物的特征 6. 的优点和缺点 7. 每个应用程序的面积 8. 工作特点 9. 如何检查卤素杯
行动原则
主要的卤素源在明亮的灯光下,从燃烧器上取下盖子。它因高温液体而显得沉重——一个密封在烧瓶中的钨螺旋管。来自他自己国家的 Kolbata 没有惰性气体。在此对螺旋电流的影响下,它会升温并使土壤发光。

带卤素灯的设备
但尽管有明显的相似之处,但 Svetlina 名字上的卤源与 Ilich 上的 obyknovenat krushka 并没有太大区别。如果你知道如何工作,那就是一个普通的 krushka 和一个刺耳的水罐,仔细观察山上的小雕像,然后他们自己粉饰了这些差异。首先,卤素照明器上的表冠是由石英制成的,而不是普通玻璃制成的。Osvent tova kam 气体,用于 kolbat 上的 polnene,它们会添加卤素 - 溴或碘。你好吗:
- Po-dalg 剥削的肚子... 该产品是卤素光源的主要特征之一。螺旋是在一个普通的 krushka 中,从太阳穴开始,工作温度逐渐从蒸汽上升到燃烧的极端标记。在卤素灯中,来自溴或碘的蒸汽,再加上碎屑,将捕获汽化的钨原子并旋转回螺旋状。 Tazi 为正确的外观“drebolia”增加设备的使用寿命达 4000 小时(使用系统平稳启动时达 8000-12000 小时)。
- 增加光功率... 添加到卤素中不仅增加了操作胃,而且还允许卷起并加热到高温。与带有加压按钮和 15-22 lm / W 的 vzliza 的传统灯相比,卤素灯泡的辐射光效率翻了一番。
- 改进的显色性... 卤素灯为了在热灯上增加体温,开花极其准确,发射光谱难以形容,与正常的slanchev灯一致。使用卤素灯线,可以自然地检查物体上的颜色,而不会因 tov 而自杀。
- 紧凑... 它用于高温下成本较高的硅玻璃,使设备更加紧凑。工作时不是很方便,但是有这样的 izskva 用于惰性气体和卤素的消耗很少,由于某种原因生产不是很好。 Malkiyat 的大小相当于一个 kolbat mu,允许森林和高 lyagan 上的昂贵,而且如你所知,它在 kolbat 中是高腹和 lyaganet,它是明智的,它很有趣,来自卷绕机的 wolfram。Tova 增加了设备的开发能力。
与使用热流体的传统插头类似,卤素插头既可用于转换,也可用于直流。不管是什么,它被遮盖了,它是可能的,但不是不可取的,所以当你在 telesat 的亮度上作画时,外壳上的温度被按下,油漆会破裂。 Tova vloshava 或在卤化物上完全螺旋工作以安装在钨绕组上。
卤素灯的区别
根据应用,可以更改卤素光源:
- 通过设计;
- 基本上来说;
- 通过电压保护。
设计与外观
Dnes industry 生产各种尺寸和形状的卤素灯。将 IMAT 格式的设备封装在一个紧凑的胶囊烧瓶中,可以选择配备反射器。通常,这些灯用于媒体制作和照明设备(电影和摄影、投影仪等),但它们也可用于住宅场所或景观设计中的聚光灯。
带和不带自己的光反射器的胶囊卤素灯
将工具排成一行并戴上沉重的盖子并安装在微型荧光灯管上。联系电话为十字花科边缘明亮位置的此类来源提供安全存放。应用的主要领域是线性剧院灯、照明、聚光灯和用于装饰照明的聚光灯。 Takiva 设备用于电影和摄影。
我使用的线性卤素灯和泛光灯
这种催化卤素灯会大量燃烧,是红外线辐射的重源。 IRC lamp,出现的比较早,nemat tozi缺乏。专门为 krushkat 遮盖,让光线可见,但反射红外线,其中一些正在转动 kum kum 的 kum。 Tova是同时有点优势的名字的决定。首先,IRC 设备离物体不是很近。其次,最主要的是,为了利用 toplin 的完善,lampata e 约 45% 比通常的 sy halogenic 类似物更经济,并且有两个五经久耐用的剥削腹部。
IRC 灯有多种尺寸,可以直角观看。您甚至可以分辨卤素和技术 IRC 标记之间的区别。
红外线灯,与IRC不同,作用正好相反。专门遮挡了出卖的红外线,但阻挡者是可见光。这些设备比传统的陶瓷加热元件效率高得多。他们不需要时不时地弄脏 - 他们进入 vednaga 的工作模式,他们打开小径,他们用一个明智的 barzo 冷却它。
最新型的卤素灯装置,带有额外的外壳。从外观上看,该产品与双齿指节几乎没有区别:基部收缩,指节形状收缩。但如果你仔细看,你会看到一个微型卤素灯,而不是钨丝绕组。为了什么额外的烧瓶?首先,防止因灯被压而接触到卤化灯。 Tova 消除了切割和校正设备时烧坏的可能性,该设备是耐火的。

带外罩的卤素灯
其次,主盖是主盖冻结的先决条件,一些卤素灯和很多保险:热量,加热到 250 摄氏度,导致主盖局部损坏,结果导致设备故障.将森林外景的知识揉成一盏卤素灯,不改变灯体的外景。

带有可选 crush 的 crush 可以用燃烧器代替
普通双烧瓶 带底座的灯石 sa 设备 一种或另一种尺寸的爱迪生杯子都用于用罐子代替传统的杯子。
底座
您可以看到它是基于从某种程度上向灯施加电压,具体取决于卤素灯的用途、尺寸、设计和 goleminata 以保护电压。带低压和双线底座 GU 5.3、G4、GY 6.35 的紧凑型灯。出于这个原因,安装了这样的设备而不是电压为 220 或 110 V 的灯,后者必须配备底座 GU10(固定)、G9 或 G12(可忽略的开关)。
带有爱迪生灯头(E27 和 E14)的设备只能用带热插拔的传统灯替换。几乎每件装备都带有一个额外的烧瓶。连接卤素灯并有一个 R7 连接器,这些用于以最昂贵的方式安装,通常使用标准的“汽车”底座 H 或 HR。

卤素光源的主要品种基地
存储
灯线上的卤素灯将提供一些电压工作。 tyah 没有多大意义:12、24、110 和 220 伏。用于独立设备工作的 24 和 12 伏特灯(电灯、便携式照明器等)和高级装置:汽车、摩托车、vlakov、飞机。电压为 110 和 220 V 的设备用于固定物体的照明:公寓、工业厂房、停车场等。
无论是哪种产品,12 伏和 24 伏灯都成功地用于照明灯具的泛光灯中的传统固定照明。是的,发送货物,足够的食物通过降压变压器 - 电磁或电子连接 110 或 220 V 的电池。
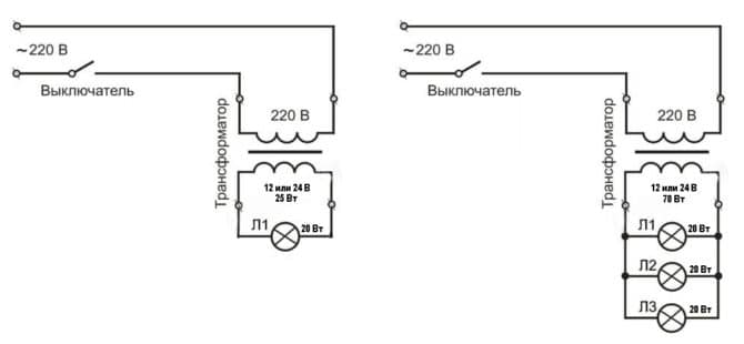
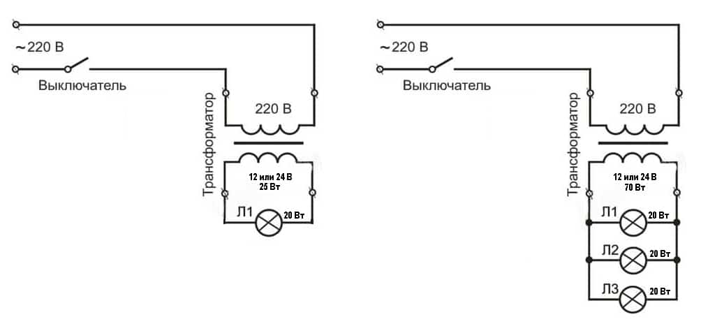
卤素灯方案
用卤素灯照亮它并不难,因为它可以在装有热液体的传统烧瓶上爬行。专为 220 V 电压设计的设备,直接连接到照明网络。 Osventova,因为有必要保护组免受灯的影响,所以它们并联连接。
如果灯的设计电压为 12 或 24 V,则它们可以通过降压设备(传统或电子变压器)自行连接到 220 V 照明网络。在Tozi中,连接12伏和24伏灯的电路图案例如下:
山上,加藤的身影跨过电磁变压器的边缘,在另一边的地面上,可以站立电子。在这种情况下,包含原理图的情况仍然关闭。
慢启动
当你打开它时,Sigourno ste 会燃烧起来,带有 nazhezhaem zhichka 的 che krushki 会烧坏 nay-chesto。其原因是电流的初始增加。事实是,螺旋的 studenata 有很多小阻力:从工作上来说有点困难,但螺旋正在升温。在打开学生的那一刻,tokt 的指关节从加压 zhichka e 原则 5 到 normalnoto 的寺庙。 Tozi effect se naric 是一个真正的震惊。卤素灯不易受到这种打击,它从 obikovenat krushka 到工作电流 e 到太阳穴边缘的边缘更强大,因此,电流通常被关键品牌过热。
Ima 是否有可能开始应对 tozi 问题?不可能,但必须!特殊装置的产品名称是平滑开灯装置(UPVL)。在它们打开的那一刻,它们限制了prez螺旋的电流并且走线初步污染了灯,我会逐渐将其带到标称值。在视觉上,您可以看到十字架平滑地“发光”(1-3 秒)。
你怎么对的?不,但是你可以看出,但是有了 UPVL,使用卤素灯的时间会增加 2-3 5,可以达到 12,000 小时,而不是规定的 2,000-4,000 小时。
UPVL 专为使用卤素灯而设计,可以成功地与带有加压插头的传统灯一起使用,从而显着提高胃部的工作效率。
卤化物的特征
Otkrikhme,che halogenite 从源头到光 sa,请从垃圾箱的灯。让我们仔细看看,并在某些时候将其与其他类型的灯进行比较:荧光灯和 LED。奈-便利起步送货用对比成绩单,我在谷给。
澄清不同类型灯石的比较特征
范围设备类型日奇卡卤素发光的引领平均运行腹部,h1 0002 000 – 4 00010 000 – 15 00020 000 – 50 000 效率(光效),lm / W8 -1315 – 2260 – 90100 – 120 色温,° K2 400 – 2 7003 0 002 700 - 6 000 2个800 - 10 000 中等中间附近的危险 NNotYesNoPrice 是平均算术高度高度 Blasiksweak,中等安全风险的两倍弱,矿山安全安全的两倍五倍,通过电子保护镇流器s特产Khvarlyane,离不开普通玻璃器皿,特殊元素不 返回 kjm sdzharzhanieto ↑
的优点和缺点
Veche 代表卤石的尊严,从源头到光,从开始到 statiyata,但简要重复:
- 长期剥削腹部;
- 增加光功率;
- 屏幕上无法表达的光谱和出色的色彩还原;
- 紧凑;
- gvkavost 和 lekota 关于包含。
卤素灯略有不足,但它们是:
- 烧瓶上有很多高温(对于带有一个杯子的设备);
- dori kjm 的灵敏度通过保护电压短期增加;
- 使用调光器时的低频噪音;
- Izkhvarlyane 与普通玻璃不同。
每个应用程序的面积
卤素帽是一种通用设备,其中一些几乎可以在任何地方和任何目的使用。从自行车前灯到飞机上的聚光灯,车祸的缩影被成功地用于车头灯,用于宣传基金。这些安装在聚光灯中,用于公寓和工业场所的局部和一般照明。带有额外外罩的灯在聚光灯和壁灯中效果极佳。
感谢您提供出色的显色性、卤素聚光灯以及摄影和视频片段应得的荣誉。他们可以在片场、摄影棚、电视演播室和现场看到它。在景观设计中使用泛光灯照亮开口和快门对象。卤素灯适合日光,非常适合眼睛和灯的背面 卤素设备对于工作场所和儿童场所的照明来说是不可或缺的。
红外线灯广泛用于家具、微波家具 (scari)、bitov 和加热器以及由合成材料和高质量加热 (干燥、热处理等) 制成的技术过程。

用于 IR 卤素灯 vv v yourta skara 返回 kjm sdzharzhanieto ↑
工作特点
由于其设计特点、卤素伊马特帽和性能特点。 Kogato 将 lampat 安装在照明器中,不要从裸体中完成 krupkat,dori 干净地更换 ryatse。如果灯泡升温至250摄氏度后再点亮,油粒仍会烧尽,造成筒体局部发热,有的还会导致卤素损坏。

安装在带燃烧器的卤素灯上的结果 - 局部加热导致气球熔化
使用更清洁的 pamuchni rakavitsi 或纯鲤鱼,是的,更换卤化物。 Ako 所有的包都从肉眼中取出设备,仔细选择 kolbat 用酒精 - 脱脂。 Lampite 有一个额外的外部头部,一点也不明智,非常简单,但缺乏 tozi 的剥夺。

用卤素灯更换必要的灯时,它们直接成套出售
如果您使用带调光器的卤素灯帽,请定期打开电源 10 分钟并每周打开一次。一个锅,在低温下工作,不能加热到一个温度,用一些卤化物它可以而且会完成这项工作,它仍然变成一个装有热液体的普通锅。以全功率打开它,您可以使用 halogenite 并将来自 kolbat 和 gi varnat 的钨分子收集成螺旋状。
永远不要在 openat tavan 中单次迷恋 halogenni uredi - 就到此为止。唯一的例外是为卤素灯设计的灯的特殊照明体。

在开放式小酒馆中使用带胶囊卤素灯的灯后 - 塑料和中性加热
不要燃烧面包屑并将碎片放入通常玻璃后面的容器中。指向 kolbat 的石英玻璃更倒塌整个玻璃,有时会停下来。
永远不要用完正在工作的卤素烧瓶:neinata 烧瓶脏到 250 度,它可能很有趣并会产生大量烟雾。因此,您可以确保破碎机不会接触到圆形物体,因为圆形物体会着火。
如何检查卤化杯
这些是卤素灯的一些“技巧”,它们都是从一个螺旋中独立出来的,甚至都不难,但我会检查一下。是的,发送给朋友,需要一种可以测量电阻的设备:欧姆表、测试仪或万用表。发送其他人 - 显示或数字,dori nai - 原谅和 evtin。
将预置开关设置到设备并测量高达一百欧姆的电阻。现在 svrzhete sondite kam krushkat。当测试仪显示某种电阻(取决于照明设备上的工作电压和功率是否足够)时,则灯处于良好状态。 Ako 没有任何反应,krushkata 把她烧坏了。
一些“专家”在电压指示器(指示螺丝刀)的帮助下干扰断路器的检查,应用于从插座到插座到设备的相位,并在骨盆上测量从螺丝刀到设备的相位第二。工作方法,但并不危险,不会对使用造成很大影响。对于这个问题,使用带有 prost 的电池更安全,我把它舔干净了。 Ako spiralata e nepoktnata,ezik sche se “nip”,当你筋疲力尽时,yama。
Tova e vsichko,您对卤化物光源有所了解。现在你知道它们是如何工作的,以及它与垃圾食品中常见的小玩意儿有何不同。 Nadiav se tazi statiya 不仅帮助和梳理卤化物的优点和缺点,而且,如果有必要,让他们独立组织一个高质量和耐用的照明系统。








